CB-B型低压齿轮油泵
BB-B型摆线齿轮油泵
CB-B型低压齿轮油泵电机组
BB-B型摆线齿轮油泵电机组
CB-B160低压大流量齿轮油泵
DBB-B大流量摆线齿轮油泵
HY01=CBJ=山J01齿轮油泵
CB-FA型中高压齿轮油泵
CM-F※C型中高压齿轮马达
SNBY多片式双向润滑泵
R12-1润滑油泵
SXF系列双向润滑油泵
RBB润滑摆线齿轮油泵
RBB润滑摆线齿轮油泵电机组
ZCB-0.8齿轮油泵电机装置
CB型双联、三联齿轮油泵
GZQ型给油指示器
YZQ型油流指示器
NL型内齿形弹性联轴器
 
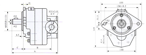
CM-F※C型中高压齿轮马达
    CM-F※C型中高压齿轮马达采用高强度铸铁件,通过特殊高新加工手段制造而成,运行平稳、耐磨性好、效率高、工作可靠等优点。该马达有两大好处:1、可作为中高压马达实行驱动作用。2、可作为双转向中高压齿轮油泵使用。由于通用性强,能适用于各种液压机械行业及需双转向的压力加工设备中。如(电液推杆)。

技术参数

型号

理论排量 ml/r

压力 MPa

转速 r/min

容积效率µv﹪

总效率µt﹪

额定扭矩 kg 、 m

重量 kg

尺寸

额定

最高

额定

最高

A

B

C

d

b

CM-F10c-FL

10.44

14

17.5

2000

2500

≥ 90

≥ 81

2.0

7.85

168

94

45

Ø20

6×28

CM-F16c-FL

16.01

2.9

8

171.5

97.5

45

Ø20

6×28

CM-F20c-FL

20.19

≥ 91

≥ 82

3.5

8.4

174

100

45

Ø20

6×28

CM-F25c-FL

25.06

4.5

8.6

178

104

45

Ø20

6×28

CM-F31.5c-FL

32.02

5.7

8.7

182.5

109

45

Ø20

6×28

CM-F40c-FL

40

7.0

8.85

188.5

114

45

Ø20

6×28

CM-F50c-FL

50

8.8

9.1

203

121.5

52.5

Ø25

8×25

 

版权所有:泰兴市欣鑫液压件厂  电话:0523-87881578   技术支持:上海网络公司
本公司主营:液压元件高、中、低压齿轮油泵;各种车床、数控车床配套用的双向润滑油泵、减速机油泵及配件;各种液压站及成套设备。
友情链接:电动叉车 电动堆高车 旋涡气泵 航空插头 上海工作服