CB-B型低压齿轮油泵
BB-B型摆线齿轮油泵
CB-B型低压齿轮油泵电机组
BB-B型摆线齿轮油泵电机组
CB-B160低压大流量齿轮油泵
DBB-B大流量摆线齿轮油泵
HY01=CBJ=山J01齿轮油泵
CB-FA型中高压齿轮油泵
CM-F※C型中高压齿轮马达
SNBY多片式双向润滑泵
R12-1润滑油泵
SXF系列双向润滑油泵
RBB润滑摆线齿轮油泵
RBB润滑摆线齿轮油泵电机组
ZCB-0.8齿轮油泵电机装置
CB型双联、三联齿轮油泵
GZQ型给油指示器
YZQ型油流指示器
NL型内齿形弹性联轴器
 
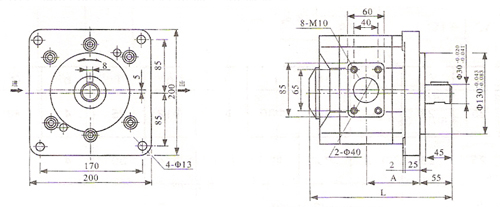
DBB-B大流量摆线齿轮油泵
    该泵系大流量摆线齿轮油泵。由于该泵结构简单,噪音低输油平稳,自吸性能好和良好的高转速特性,因而要低压液压系统中被广泛采用。同时也适用于各种机床、机械设备的润滑及输油之用。该泵旋转方向从轴端看顺时针。

技术参数

型号

排量 ml/r

流量 L/min 1500rpm

压力 MPa

容积效率 %

重量 kg

尺寸

A

L

DBB-B100

100

150

2.5

≥ 92

25

73

205

DBB-B125

125

188

28

80

219

DBB-B160

160

240

31

89

237

 

版权所有:泰兴市欣鑫液压件厂  电话:0523-87881578   技术支持:上海网络公司
本公司主营:液压元件高、中、低压齿轮油泵;各种车床、数控车床配套用的双向润滑油泵、减速机油泵及配件;各种液压站及成套设备。
友情链接:电动叉车 电动堆高车 旋涡气泵 航空插头 上海工作服