CB-B型低压齿轮油泵
BB-B型摆线齿轮油泵
CB-B型低压齿轮油泵电机组
BB-B型摆线齿轮油泵电机组
CB-B160低压大流量齿轮油泵
DBB-B大流量摆线齿轮油泵
HY01=CBJ=山J01齿轮油泵
CB-FA型中高压齿轮油泵
CM-F※C型中高压齿轮马达
SNBY多片式双向润滑泵
R12-1润滑油泵
SXF系列双向润滑油泵
RBB润滑摆线齿轮油泵
RBB润滑摆线齿轮油泵电机组
ZCB-0.8齿轮油泵电机装置
CB型双联、三联齿轮油泵
GZQ型给油指示器
YZQ型油流指示器
NL型内齿形弹性联轴器
 
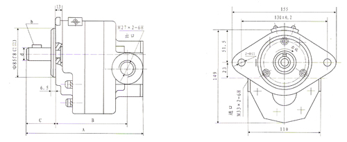
CB-FA(FC)型中高压齿轮油泵
    CB-FA(FC)型齿轮泵采用高强度铸铁三片式结构,挠性侧板,滑动轴承的中高压齿轮泵,它具有结构简单、体积小、工作可靠、维修方便、对冲击负荷的适应性好,适用于工程机械、起重运输机械、矿山机械、农业机械及其他机械液压系统。

技术参数、规格

型号

压力 MPa

转速 r/min

排量 mL/r

驱动功率 n=1800r/min

重量 kg

尺寸

额定

最高

额定

最高

6.3

10

14

A

B

C

d

b

CB-FA10-FL

14

17.5

1800

2400

11.27

2.3

3.7

5.2

7.8

168

94

45

Ø20

6×28

CB-FA18-FL

18.32

3.8

6.0

8.4

8.2

174

99

45

Ø20

6×28

CB-FA25-FL

25.36

5.2

8.3

11.6

8.6

177.5

104

45

Ø20

6×28

CB-FA32-FL

32.41

6.8

10.6

14.8

9.0

182.5

109

45

Ø20

6×28

CB-FA40-FL

39.45

8.1

12.9

18.1

9.4

188.5

114

45

Ø20

6×28

CB-FA50-FL

50

10.2

16.1

23

 

203

121.5

52.2

Ø25

8×25

 

型号

理论排量 mL/r

压力 MPa

转速 r/min

容积效率

总效率µv%

驱动功率额定工况下 kw

重量 kg

尺寸

额定

最高

额定

最高

最低

A

B

C

d

b

CB-FC10

10.44

16

20

2000

2500

600

≥90

≥81

6.4

7.85

168

94

45

Ø20

6×28

CB-FC16

16.01

9.9

 

171.5

97.5

45

Ø20

6×28

CB-FC20

20.19

≥91

≥82

12.4

 

174

100

45

Ø20

6×28

CB-FC25

25.06

15.36

 

177.5

104

45

Ø20

6×28

CB-FC31.5

32.02

19.6

 

182.5

109

45

Ø20

6×28

CB-FC40

40

24.8

8.85

188.5

114

45

Ø20

6×28

CB-FC50

50

31

 

203

121.5

52.2

Ø25

8×25

 

版权所有:泰兴市欣鑫液压件厂  电话:0523-87881578   技术支持:上海网络公司
本公司主营:液压元件高、中、低压齿轮油泵;各种车床、数控车床配套用的双向润滑油泵、减速机油泵及配件;各种液压站及成套设备。
友情链接:电动叉车 电动堆高车 旋涡气泵 航空插头 上海工作服